ออกแบบวิศวกรรม
ออกแบบวิศวกรรม

บริการออกแบบวิศวกรรม
Engineering Design
Engineering Design
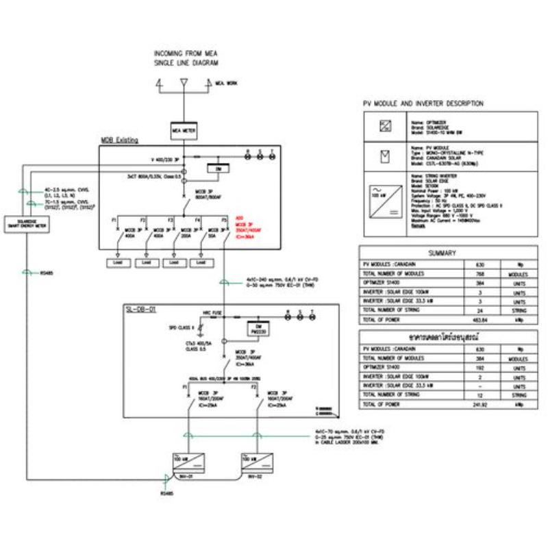
รูปแบบการให้บริการ ให้บริการ ออกแบบวงจรระบบ 2D
(Single Line Diagram) ออกแบบงานติดตั้งระบบ 3D
(Perspective Installation) เขียนแบบโครงสร้างอาคาร
(Building Structural) คำนวณการรับแรงโครงสร้างอาคาร
(Structural Load) ปริมาณวัสดุ และราคา (Bill of Quantities)
ที่ปรึกษาโครงการ (Project Consultant) และแผนงาน แผนเงิน
ตัวชี้วัดผลงาน (S-Curve) ซึ่งมีรายละเอียดดังนี้ :

ออกแบบวงจรระบบ 2D
(Single Line Diagram)
บริการออกแบบ และเขียนแบบ
วงจรระบบไฟฟ้า ระบบโซลาร์ และ
ระบบกักเก็บพลังงาน แบบ 2D
หรือ Single Line Diagram โดยใช้
โปรแกรม AutoCAD

ออกแบบงานติดตั้งระบบ
3D (Perspective)
บริการออกแบบ และเขียนแบบ
งานติดตั้งระบบระบบไฟฟ้า ระบบ
โซลาร์ และระบบกักเก็บพลังงาน
แบบ 3D หรือ Perspective โดยใช้
โปรแกรม Sketchup

ออกแบบ เขียนแบบโครงสร้าง
(Building Structural)
บริการเขียนแบบโครงสร้างอาคารขึ้นใหม่ หรือออกแบบโครงสร้างใหม่เพื่อวางระบบโซลาร์ และระบบกักเก็บพลังงาน ใช้สำหรับขออนุญาตก่อสร้าง โดยใช้โปรแกรม AutoCAD

คำนวณการรับแรงโครงสร้าง
อาคาร (Structural Load)
บริการคำนวณการรับแรง
โครงสร้างอาคาร ต่อการติดตั้ง
ระบบโซลาร์บนหลังคา ใช้สำหรับ
ขออนุญาตดัดแปลงโครงสร้าง
อาคาร โดยใช้โปรแกรม ETABS

วิศวกรไฟฟ้ากำลังรับรองแบบ
(Electrical Engineers Certify)
บริการวิศวกรไฟฟ้ากำลังรับรอง
แบบวงจรระบบไฟฟ้า ระบบโซลาร์
และระบบกักเก็บพลังงาน เพื่อใช้
ขออนุญาตขนานไฟฟ้าโดยระดับ
สามัญวิศวกรไปต้นไป

วิศวกรโยธารับรองแบบ และ
รายการคำนวณโครงสร้าง
(Civil Engineer Certify)
บริการวิศวกรโยธารับรองแบบ และ
รายการคำนวณโครงสร้าง เพื่อใช้ขอ
อนุญาตดัดแปลงโครงสร้างอาคาร
หรือก่อสร้าง โดยระดับสามัญ
วิศวกรไปต้นไป

ปริมาณวัสดุ ราคา และแผน
งาน แผนเงิน ตัวชี้วัดผลงาน
(BOQ, S-Curve)
บริการถอดแบบงานระบบโซลาร์
ปริมาณ ราคา เพื่อใช้ในการจัดซื้อ
จัดหาวัสดุอุปกรณ์ บริการจัดทำ S-
Curve เพื่อใช้ติดตามงานโครงการ

ที่ปรึกษาโครงการ (Project
Consultant)
บริการที่ปรึกษาโครงการระบบไฟฟ้า
ระบบโซลาร์ และระบบกักเก็บ
พลังงาน การตรวจสอบคุณภาพ
งาน ควบคุมงาน ระบบดังกล่าวให้
เป็นไปตามแผนงาน ตามเวลา และ
ตามงบประมาณที่ตั้งไว้
29 ธันวาคม 2568
ผู้ชม 819 ครั้ง
TH